Лестница металлическая для крыльца своими руками. Устройство крыльца из металла
- Лестница металлическая для крыльца своими руками. Устройство крыльца из металла
- Крыльцо из профиля своими руками. Строим крыльцо из уголка
- Металлическая лестница своими руками. Этапы создания лестницы своими руками
- Металлическая лестница на второй этаж своими руками. Из чего состоит каркасная лестница?
- Лестница из уголка своими руками. Как сварить лестницу из металлического уголка – инструкция и видео
- Видео металлическая лестница для крыльца
Лестница металлическая для крыльца своими руками. Устройство крыльца из металла
Металлическое крыльцо для дома, равно как и конструкции из других материалов, требует точных расчетов, на основании которых составляется проект сооружения. Основные параметры для крыльца регламентируются нормативными документами, в Гостах и СНиПах четко прописаны основные требования к данному виду пристроек.
Так, любое крыльцо состоит из площадки, лестницы к ней ( ступеньки ), если в конструкции более 3 ступеней, то техника безопасности диктует, что необходимо сделать перила , высотой 0,7 — 1,2 м. Чтобы защитить крыльцо от осадков, следует предусмотреть козырек либо навес .

Приставное крыльцо металлическое, фото низкого каркаса под отделку из дерева
Верхняя площадка из металлопрофиля, с учетом полов, должна быть ниже порога двери на 5 см, это требование предъявляется противопожарной безопасностью. Ширина площадки может быть любая, опоясывать весь дом, в виде террасы или веранды, или совсем маленький пятачок перед дверью. Глубина же площадки должна соответствовать ширине входной двери помноженной на коэффициент 1,5. На практике чаще всего устраивается площадка в ширину 2 м, в глубину 1 м.
Угол наклона металлического крыльца относительно горизонта должен быть от 23 до 40о, лестницы с большим углом неудобны в эксплуатации. При необходимости, можно сделать подъем круче, но такие конструкции уже переходят в разряд приставных. Средняя ширина металлической лестницы 0,8 – 1,0 м.
Ступени
Для комфорта и удобства эксплуатации глубина ступеней (проступь) для металлического крыльца должна располагаться в размерном диапазоне 27-30 мм, а высота (подступенок) 12-22 см, хотя металлическое крыльцо для дачи и запасных входов можно сделать и с более узкими ступенями. По законам эргономики сумма размеров ширины проступи и высоты подступенка должна равняться 45 см. Например, если ступенька 30 см, то ее высота 45-30 = 15 см.
Что касается материалов для устройства ступенек металлического крыльца, то они могут быть изготовлены из металла, дерева , камня и пр. Наиболее популярное сочетание — каркас крыльца из металла и деревянные ступеньки из бука, дуба, лиственницы иногда сосны.

Крыльцо из профиля своими руками. Строим крыльцо из уголка
Металлический уголок очень широко используется для возведения всевозможных конструкций, как внутри дома, так и снаружи. В этом разделе мы расскажем, как построить из уголка сварное крыльцо своими руками. Перед началом работ нужно подготовить проект металлической конструкции, которую вы собираетесь возводить.
Сборка каркаса металлического крыльца
В соответствии с заранее подготовленным чертежом/проектом нарезаем металлический уголок, из которого нужно сварить две рамы каркаса, верхнюю и нижнюю. На рисунке видно, что верхняя рама имеет перемычку. Здесь она одна, но при конструировании настоящего крыльца нужно учитывать, что такие перемычки должны располагаться из расчета одна на 50-60 см. То же касается и вертикальных перемычек. Таким образом, крыльцу из уголка обеспечивается необходимая жесткость.
Сначала наживляем парой точек одну длинную и одну широкую сторону прямоугольника, затем проводим проверку угольником и уровнем. Повторяем эти процедуры с другими двумя отрезками. Опять же на несколько точек собираем эти два угла в прямоугольник. Теперь еще раз сверяемся с уровнем и проводим уже капитальную сварку рамы. Там, где нужно, навариваем перемычки на каркас крыльца из металла.

Устройство крыльца из металла: вначале собираем верхнюю и нижнюю рамы
Далее нужно собрать получившиеся рамы в одно целое. В углах верхней навариваем вертикальные стойки: прихватываем – проверяем – варим «на постоянку». Потом на стойки так же, в несколько этапов, крепим нижнюю раму. Довариваем на металлокаркас нужное количество вертикальных перемычек. Теперь, опять же при помощи сварки, крепим конструкцию к ножкам, которые забетонированы в земле. Металлическое крыльцо для дома готово. Осталось прикрепить к нему лестничный марш .

Крыльцо частного дома, из металла. Сборка каркаса из уголка
Сборка лестницы для крыльца из металлического уголка
Для постройки нам понадобится уголок 75 и 50 мм, деревянные проступи, саморезы и сварочный аппарат. Также нужно заготовить доски для настила напольного покрытия крыльца . По окончанию строительства мы получим крылечко похожее на то, что вы видите на следующем фото. Кстати, пол на площадке и проступи можно сделать из наваренных на основу прутков арматуры.

Приставное крыльцо, металлическое. Фото конструкции с деревянными проступями
Варим из уголка (50 мм) треугольники: сторона А должна быть перпендикулярна земле и иметь высоту 14-16 см; угол АВ должен равняться 90 градусам; длина стороны В – 18-20 см. Чтобы узнать угол стороны Б натягиваем от нижней лестничной опоры к верхнему краю площадки крыльца бечевку, и измеряем ее угол относительно земли. На стороне В сверлим отверстия для саморезов, которыми будут крепиться проступи .
Замеряем расстояние от нижней лестничной опоры до верхнего края площадки крыльца, по этой мерке из уголка (75 мм) вырезаем две детали. На них монтируем получившиеся треугольники, стороной Б вниз. Расстояние делаем 50 мм. Таким образом, у нас получилось два косоура для лестничного марша. Варим их к нижней опоре и площадке крыльца.

Лестница из треугольного металлопрофиля
Далее из профильной трубы и арматуры варим и устанавливаем простое ограждение для площадки и перила на лестницу . Потом всю конструкцию нужно будет окрасить или покрыть любым защитным составом, который предупредит образование ржавчины на металле. После высыхания крыльца устанавливаем на места проступи и напольное покрытие .
Металлическая лестница своими руками. Этапы создания лестницы своими руками
Изготовить своими руками металлическую лестницу довольно просто, причем неважно, строится конструкция на крыльцо или второй этаж, меняется только вид конструкции. Первое, что необходимо сделать, – это определиться с типом строения, в зависимости от его предназначения.
А далее – просто четко следовать инструкции и грамотно продумывать свои шаги.
Расчеты
Если вы заказали проектный расчет в специальной компании, то такие организации используют компьютерные программы для создания конструкции. В такой программе легко меняются параметры, и после утверждения заказчиком окончательного варианта компьютер выдает чертежи.
Если же в проектную компанию вы не обращались, а решили выполнить чертежи самостоятельно, то тут придется немного сложнее. Рассмотрим выполнение расчетов для самой простой конструкции – прямой одномаршевой.

При расчёте имеются стандартные требования
Типовые требования:
- Высота ступеней должна составлять 17-18 см.
- Оптимальная ширина лестницы для частных домов составляет 90 см.
- Минимальная глубина ступеней – 27 см.
- Шаг лестничной конструкции составляет 60-65 см, сюда входит высота ступеньки и подступенка.
- Оптимальный угол наклона ступеней равняется 30-45°.
- Ограждение должно выдерживать вес около 100 кг.
- Минимальное расстояние между стойками ограждения составляет 15 см.
Помимо типовых требований, для изготовления прямого одномаршевого строения необходимо выполнить следующие расчеты:
- Длина приспособления. Для этого необходимо высчитать два размера. Первый – это расстояние от начала и до конца лестницы (имеется в виду расстояние от первого этажа до второго). Второй – высота между ними. У вас получилось две цифры. Каждую необходимо возвести в квадрат, а потом сложить их. Далее из полученного числа извлекаем корень.
- Количество ступеней. Для этого необходимо полученную длину приспособления разделить на выбранную высоту ступени. Оптимальная высота указана в типовых требованиях.
- Глубина ступеней. Необходимо разделить длину лестницы на количество ступеней и посмотреть, чтобы полученная цифра соответствовала требованиям, при необходимости изменить размеры в предыдущем пункте.
Полученные размеры нужны для определения количества материала.
Подготовительные работы
Перед началом работ нужно подготовить все необходимые приспособления. Вне зависимости от типа выбранной конструкции, часть элементов каркаса будет соединяться друг с другом швами, поэтому первым и главным приспособлением при строительстве конструкции является аппарат для сварки. Если ранее вам не доводилось выполнять сварочные работы, то используйте ручной инвертор, он более легок в обращении. Если же опыт имеется, то можно применять любой другой аппарат, который подойдет для сварки выбранного вами металла.
Также следует подготовить механическую пилу, наждачный круг и болгарку. Если вы хотите изготовить металлическую лестницу с деревянными ступенями своими руками, то вам понадобится струбцина и электрическая дрель, а также циркулярная пила и саморезы.
Важным этапом подготовительных работ является создание проекта будущей конструкции. Его можно как заказать в специализированной компании, так и выполнить самостоятельно, используя подходящие чертежи из интернета. По проекту вы можете рассчитать требуемое количество арматурной стали, металлопрофиля, листового металла. Перед началом работы необходимо потренироваться в сварном деле на ненужных металлических заготовках.
Изготовление заготовок и деталей
Когда расчеты и подготовительная работа выполнены, доходит дело до выполнения заготовок. Нам понадобится изготовить косоуры, для этого нужна квадратная профильная труба. Роль опоры будут выполнять железные уголки. Ступеньки и подступенки изготовим из листовой стали шириной 4 мм.
Металлическая лестница на второй этаж своими руками. Из чего состоит каркасная лестница?
Наверно правильно все же начать с вопроса: что это такое?
Металлический каркас лестницы это ее основа, на которую ложится вся нагрузка, то, на чем держатся ступени и перила.
Основные части любого каркаса это марши и промежуточные элементы. Марш представляет собой прямолинейный ряд ступеней. Конструкция может состоять из одного марша, в этом случае ее так и называют - прямой марш.
В случае использования 2-х и более маршей их связывают между собой поворотными элементами. Это могут быть площадки или забежные ступени. Последние используют в том случае, если традиционный вариант с площадкой согласно расчетам получается неудобным. Таким образом, все лестницы в мире - маршевые, и более подробно о маршевых конструкциях вы можете почитать тут .

Сам марш состоит из косоуров, их может быть один или два, а иногда даже три. Косоур представляет собой несущий элемент, на который крепятся проступи. Крепление маршей к межэтажным перекрытиям выполняется с помощью металлических скоб. Если этого крепления недостаточно или просто не к чему крепиться, косоур снабжают опорной стойкой (металлической ногой).
Таким образом, металлокаркас - это самая важная часть лестницы, все ваши задумки должны быть учтены при расчете и изготовлении изделия.
Ошибки, допущенные при расчете, в лучшем случае приведут к тому, что вы получите совсем не то, что хотели. Я говорю в лучшем, потому что худший вариант это когда вы заплатите круглую сумму за производство и установку, а потом выяснится, что всё нужно полностью переделывать.

И если при этом вы изготовление каркаса лестницы заказали у незнакомого мастера-шабашника, который делает быстро и недорого, то может оказаться, что сыскать потом этого волшебника не получится.
Заказывать лестницу нужно у подрядчика, который делает именно лестничные каркасы и только их (это его узкая специализация, он на ней собаку съел).
Но даже и в этом случае вам как заказчику нужно хорошенько подготовиться, чтобы оказаться достаточно сведущим, чтобы понимать весь процесс от снятия замеров до отделки и иметь возможность контролировать его.
Лестница из уголка своими руками. Как сварить лестницу из металлического уголка – инструкция и видео
Планировка дома очень часто предполагает наличие лестницы, то ли в качестве подъемника на этаж, или на чердак. Имея навыки сварочных работ, не предоставит большого труда изготовить простую металлическую лестницу самостоятельно.
Лестница изготавливается из уголков и приваренной пластины из металла между ними.
О том, как сварить лестницу из металлического уголка с расчетом, будет описано ниже.

Лестница
С чего начать
I. Основные требования:
- Ширина лестницы в пределах 800÷100мм.
- Ступени лестницы должны быть хорошо видны в любое время суток.
- Обязательная установка перил для лестниц с количеством ступенек больше 3шт.
- Опорные элементы должны выдерживать нагрузку 180÷200 кг, для перил –100 кг.
- Уклон лестницы зависит от места установки:
- не больше 38° – жилых помещений.
- не болеше 45° – для квартирных.
- 63÷74° – для чердачных лестниц.

Расчет угла лестницы
- Между лестницей и стеной должен соблюдаться промежуток 5÷6 см.
- Если лестница устанавливается на постройку из 2-х и больше этажей обязательно необходимо изготавливать, также общий пролет между лестницей и домом.
- Лестница для подъема выше 1-го этажа должна быть пожаробезопасной.
II. Определится с местом установки
III. Расчет. Выполнение расчет несущей способности оптимальной поручить специалисту и воспользоваться уже готовыми чертежами. Расчету на жесткость и прочность подлежат балки однопролетные и одноконсольные. Прогиб нагружаемых элементов 1:400, нагрузка 1:300 кг/м 2

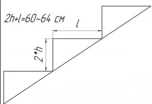
Расчет ступеней
Оптимальное сочетание параметров лестницы:
2Н+А=0,64 м
где:
Н – высота ступени, оптимальная высота 160÷180мм или 180÷120мм.
А – ширина ступени 200÷320 мм.
Количество ступеней определяется исходя из угла наклона лестницы и размера ступенек. Замеряется общая высота и делится на количество ступеней.
Важно! Высота ступенек должна быть одинаковой.
Высота перил: не меньше 900мм.

Модель лестницы
Пример расчета:
- Высота пролета 2850 мм, высота ступеней берем 160÷170мм. h=2850/160=178, округляем = 190мм, для более комфортного шага и соблюдения пропорции
- Количество ступеней: 2850/190=15 шт.
- Проверяем соотношение: 2*190+260=640 мм.
- Определяем длину АВ: 260 мм*15шт=3900мм.; СВ = 2850мм.
АВ2=е2+в2=x2; АВ=39002+28502=4830 мм=4,83 м и 5мм для профиля.
Обратите внимание! Чем более пологой будет лестница, тем больше потребуется затрат на материалы.
В случае если при расчете ступень, оказывается недостаточной глубины, для установки стопы, ее можно удлинить, за счет нависания верхней ступеньки над нижней, допускается максимальное увеличение до 50мм.

Удлинение ступеньки
IV. Чертеж. Основными элементами металлической лестницы являются: уголок, швеллер и двутавр. Ступеньки могут быть из листов металла или решетки, отделанные специальным защитным или декоративным материалом. Отделка зависит от места установки конструкции, к универсальной можно отнести дерево и камень. При использовании лестницы вне помещения могут быть использованы специальные профилактические накладки.

Чертеж лестницы в двух вариантах.
Материалы и инструмент
I. Материалом для ступеней берется листовая, или решетчатая черновая сталь толщиной 2÷3мм
II. Заготовки:
- Уголки 45 х 45 мм.
- Швеллера габаритами 150 х 200 мм, толщиной материала 8мм или двутавровая балка. Вместо швеллера может быть использована более жесткая профильная труба, что позволит уменьшить вибрацию при ходьбе. Чем легче профиль тем он менее надежен, это необходимо учитывать при создании лестницы.
Обратите внимание! Детали из обычной нержавеющей стали и алюминия необходимо обязательно окрашивать.
III. Инструменты и средства защиты:
- Сварочный аппарат, электроды.
- Защитная одежда в виде маски, рукавиц и очков, необходимых при механообработке.
- Грунтовка и краска.
- Болты и гайки, сварочный шов.
- Диски отрезные.
- Диски шлифовальные.
- Рулетка и разметочный карандаш.
- Стеллаж.
Выполнение работ
I. Из имеющихся заготовок уголков изготовить уголки необходимых размеров и с помощью сварки соединить в Г форму в правом и левом варианте. В процессе работы все острые углы должны быть отшлифованы. Следить за качеством выполнения шва.
II. Под кронштейны можно доварить еще и кобылки, вырезанные из арматуры.
III. Выполнить на косоурах как правом, так и левом, разметку под установку швеллеров ступенек.
IV. Затем произвести установку балки, верхнюю часть установить анкерными болтами к стене, а нижнюю привариить к металлической площадке.
V. Согласно нанесенной разметке осуществить приварку ступеней: кобылок и опорных узлов, изготовленных из уголков.