Правила устройства примыканий и дополнительных элементов в строительстве
- Правила устройства примыканий и дополнительных элементов в строительстве
- Связанные вопросы и ответы
- Что такое примыкание в строительстве
- Какие материалы можно использовать для устройства примыканий в строительстве
- Какие правила необходимо соблюдать при устройстве примыканий в строительстве
- Какие дополнительные элементы могут быть использованы при устройстве примыканий в строительстве
- Что такое примыкание в электротехнике
- Какие материалы можно использовать для устройства примыканий в электротехнике
- Какие правила необходимо соблюдать при устройстве примыканий в электротехнике
- Какие дополнительные элементы могут быть использованы при устройстве примыканий в электротехнике
- Что такое примыкание в авторемонте
Правила устройства примыканий и дополнительных элементов в строительстве
Устройство бокового примыкания к стене
ВНИМАНИЕ! Убедитесь в том, что фрагмент стены оштукатурен на нужную вам высоту (если это необходимо для монтажа планок примыкания). Убедитесь в том, что гидроизоляция выведена на стену на нужную высоту и приклеена к стене.
Если есть возможность, начните монтаж примыкающих к стене скатов со стороны стены. В этом случае вы начнете с заводского края листа, и под пристенной планкой гарантированно будет гребень волны.
Перед монтажом пристенной планки смонтируйте на листы металлочерепицы универсальный уплотнитель. Пристенная планка должна заходить на стену не менее, чем на 150 мм. Прикрепите пристенную планку к металлочерепице саморезами (в верхних точках, соприкасающихся с планкой гребней металлочерепицы).

Если металлочерепица подошла к стене «неудачной» фазой волны, и штатная планка примыкания не накрывает гребень, примените дополнительно нижний страховочный фартук или смонтируйте специально изготовленную более широкую планку примыкания.
Над пристенной планкой смонтируйте планку примыкания «в штробу» или планку примыкания «внакладку» и закройте герметиком зазор между планкой примыкания и стеной, заложив герметик в специально прорезанную штробу или в наружную отбортовку планки.
В некоторых случаях планка в штробу может быть закрыта впоследствии штукатуркой. Иногда можно обойтись без планки в штробу, например, в случаях, когда планка примыкания будет прикрыта обшивочной доской, сайдингом или наружным утеплителем с последующим оштукатуриванием. Для оформления внешнего перелома ската кровли может быть применена карнизная планка. Для внутреннего - планка примыкания.

Устройство верхнего примыкания к стене
ВНИМАНИЕ! Компания Вестмет рекомендует убедиться в том, что фрагмент стены оштукатурен на нужную вам высоту (если это необходимо для монтажа планок примыкания). Необходимо, чтобы гидроизоляция выведена на стену на нужную высоту.

ВНИМАНИЕ! Компания Вестмет рекомендует убедиться в том, что при монтаже верхнего примыкания будут выполнены запланированные мероприятия по реализации проекта подкровельной вентиляции.
В большинстве случаев выше последней доски шаговой обрешетки надо будет добавить дополнительную доску, причем толщина ее должна быть на 10–15 мм больше толщины досок шаговой обрешетки. Доска и листы металлочерепицы не должны доходить до стены на 50–80 мм для обеспечения функционирования подкровельной вентиляции. В случае небольшого угла наклона ската для предотвращения задувания снега в особо ответственных случаях смонтируйте между металлочерепицей и пристенной планкой аэроэлемент конька, заведя один из краев аэроэлемента конька на стену.

Аккуратно разогните планку примыкания до нужного угла, обрежьте лишний металл с верхней части, подгоните по длине и прикрепите к гребням металлочерепицы саморезами. Планки примыкания стыкуйте между собой внакладку с нахлестом не менее 10 см или с применением жестяницких приемов.
Над планкой примыкания смонтируйте планку примыкания «в штробу» или планку примыкания «внакладку», зазор между планкой примыкания и стеной покройте герметиком, заложив его в специально прорезанную штробу или в наружную отбортовку планки.
В некоторых случаях планка в штробу может быть закрыта впоследствии штукатуркой. Иногда можно обойтись без планки в штробу, например, в случаях, когда пристенная планка будет прикрыта обшивочной доской, сайдингом или наружным утеплителем с последующим оштукатуриванием.
Обход примыканиями выступов на стене
Для обхода примыканиями выступов на стене вам потребуются навыки, полученные при обходе труб.

ВНИМАНИЕ! Сотрудники компании Вестмет рекомендуют убедиться в том, что в слое гидроизоляции смонтирован «желобок», отводящий воду от стены на скат в сторону от выступа.

На рисунках показаны два способа. На верхнем рисунке «фартук» вокруг выступа сделан так же, как для трубы, расположенной далеко от конька. На нижнем — верхняя деталь «фартука» доведена до верха ската, под планку примыкания находящегося выше (или под коньковую планку).
Связанные вопросы и ответы:
Вопрос 1: Что такое примыкание и каковы основные правила его устройства
Ответ: Примыкание - это соединение электрической сети с потребителем. Основные правила устройства примыкания включают в себя использование соответствующих изоляторов, выбор правильного типа и размера проводников, обеспечение надлежащей защиты от короткого замыкания и перегрузки, а также соблюдение мер безопасности при работе с электричеством.
Вопрос 2: Какие дополнительные элементы могут быть установлены на примыкании
Ответ: На примыкании могут быть установлены различные дополнительные элементы, такие как реле защиты, автоматические выключатели, заземлители, трансформаторы напряжения и тока, а также различные датчики и сенсоры для контроля параметров электросети.
Вопрос 3: Какие материалы используются для изоляции проводников при установке примыкания
Ответ: Для изоляции проводников при установке примыкания могут использоваться различные материалы, такие как пластик, резина, керамика, стекло и другие непроводящие материалы. Выбор материала зависит от условий эксплуатации и требований к изоляции.
Вопрос 4: Какие меры безопасности следует принимать при работе с примыканием
Ответ: При работе с примыканием следует соблюдать меры безопасности, такие как использование защитных перчаток и очков, обеспечение отключения электроэнергии от сети, использование специальных инструментов и оборудования, а также соблюдение правил техники безопасности при работе с электричеством.
Вопрос 5: Как выбрать правильный тип и размер проводников для примыкания
Ответ: Выбор типа и размера проводников для примыкания зависит от потребностей потребителя и условий эксплуатации. Для правильного выбора необходимо учитывать такие факторы, как мощность потребителя, напряжение сети, длина и диаметр проводников, а также требования к прочности и стойкости к коррозии.
Вопрос 6: Какие стандарты и нормативные документы регламентируют правила устройства примыканий
Ответ: Правила устройства примыканий регламентируются различными стандартами и нормативными документами, такими как ГОСТ Р 52334-2005 "Электротехника. Приемы и устройства для подключения потребителей к электросетям", ГОСТ Р 52330-2006 "Электротехника. Приемы и устройства для подключения потребителей к электросетям. Общие требования" и другими документами, определяющими требования к безопасности и надлежащему функционированию электросетей.
Вопрос 7: Какие проблемы могут возникнуть при неправильном устройстве примыкания и как их можно предотвратить
Ответ: При неправильном устройстве примыкания могут возникнуть различные проблемы, такие как короткое замыкание, перегрузка сети, высокие потери мощности, а также угроза пожара и травм для людей. Чтобы предотвратить такие проблемы, необходимо соблюдать все правила устройства примыкания, использовать качественные материалы и оборудование, а также проводить регулярный контроль и техническое обслуживание электросети.
Что такое примыкание в строительстве

СТИМУЛ
Устройство примыканий.
При устройстве примыканий большое значение имеет наличие выкружек из цементно-песчаного раствора. Для того, чтобы рулонный материал лучше прилегал к поверхности, необходимо предварительно выполнить выкружки. То есть плавный переход от горизонтальной поверхности крыши к вертикальной поверхности. Если выкружки не выполняются, то это приводит к некачественному приклеиванию материала. Что в свою очередь приводит к преждевременному появлению трещин, разрывов материала и выходу из строя кровельного ковра.
После того, как полотнища материала приклеены к основанию, необходимо выполнить самое сложное – примыкания к стенам и парапетам, если таковые имеются. Естественно, если кровля выполняется в один слой, то примыкания выполняются после того, как наклеен этот слой.Если кровля выполняется в два слоя, то тогда примыкания выполняются после первого слоя – первым слоем, после второго слоя – вторым слоем.Ошибкой будет то, что в началенаплавятся два слоя кровельного материала, а затем будут выполняться два слоя примыканий.
При выполнении примыканий необходимо тщательно следить за тем, чтобы они были хорошо приклеены, чтобы они не отходили от поверхности. Нахлёст примыканий на кровельный ковёр должен составлять не менее 15-20 см.Нахлёст на вертикальную плоскость (стену, парапет) должен составлять не менее 30-40 см, чтобы зимой снежные сугробы были ниже примыканий.
Примыкания необходимо устраивать следующим образом.После того, как наклеен основной слой кровельного ковра приклеивают примыкания.Места приклеивания примыканий должны быть пропитаны битумным праймером.В начале, нужно нарезать примыкания в размер.После того, как кровельный материал нарезан кусками определённой длины, их прогревают горелкой, прогревая также и ту поверхность, куда приклеивается материал.А затем примыкание приклеивается к поверхности.Делать это можно разными способами.
Первый способ, если расстояние от вертикальной поверхности до края последнего листа кровли более 30 см, то тогда можно загнуть примыкание чуть больше половины. Разогреть поверхность, разогреть загнутую часть примыкания и приклеить.Чтобы примыкание надёжно прилегало к поверхности и не рвалось, его необходимо тщательно прижать в самом углу и по всей поверхности.Так как примыкание – это наиболее уязвимое место в кровле, которое выходит из строя быстрее и чаще всего, то ОЧЕНЬ ВАЖНО уделять особое внимание их устройству. Протечки в кровле чаще всегоначинаются именно с примыканий. Примыкания чаще всего рвутся, выходят из строя именно в местах соприкосновения с углом. А затем вода попадает под кровельный ковёр и растекается по всей крыше. При этом стяжка незаметно разрушается. Образуются водные пузыри. Кровельный ковёр начинает изнутри разрушаться в других местах. Вода просачивается в плиты перекрытия и начинает их разрушать. Металлические конструкции начинают ржаветь, деревянные конструкции начинают гнить. На потолке образуются вредоносные грибки. И вскоре большая площадь кровли выходит из строя, что сильно бьёт по карману её владельца. Если при ремонте кровли Вы уделите значительную часть времени подготовке и качеству устройства примыканий, то Ваша крыша прослужит долго. Помещения будут надёжно защищены от влаги и грибков. Можно будет сэкономить много денег.
Второй способ, если расстояние от последнего листа до вертикальной поверхности менее 30 см, то удобнее прогреть всё примыкание полностью и поверхность и приклеить примыкание. Повторяю, что ОЧЕНЬ ВАЖНО уделить особое внимание месту приклеивания примыкания к углу.
Чтобы примыкание было действительно надёжным и прослужило долго, сверху необходимо закрепить прижимную планку. Прижимную планку нужно крепить так, чтобы верхний край примыкания оказался по центру прижимной планки. Прижимная планка – это металлическая полоса, которая крепится к вертикальной плоскости с помощью пластикового дюбеля и шурупа. Прижимная планка – это очень необходимая часть кровли. Если прижимной планкой не закрепить примыкания, то они могут отклеиться под суровым влиянием погоды (солнце, ветер, дождь, снег). Также под примыкание может попасть вода, что приведёт к тому, что примыкание отклеится от стены.Механическое крепление примыканий прижимной планкой существенно увеличит надёжность кровли. Стоимость прижимной планки и её простой монтаж обойдутся на много ниже затрат на повторный ремонт кровли в случае повреждения примыканий.
- 0
Какие материалы можно использовать для устройства примыканий в строительстве
Если по проекту стена штукатурится, то это должно быть сделано до кровельных работ. Убедитесь в том, что гидроизоляция выведена на стену на нужную высоту и приклеена к стене.
Устройство бокового примыкания к стене
Монтаж металлочерепицы на примыкающих к стене скатах по возможности начните от стены. В этом случае вы начнете с заводского края листа, и под пристенной планкой гарантированно будет гребень волны.
Перед монтажом пристенной планки смонтируйте на листы металлочерепицы универсальный уплотнитель. Пристенная планка должна заходить на стену не менее, чем на 15 см и иметь небольшой уклон от стены. Прикрепите пристенную планку к металлочерепице саморезами в точках соприкосновения с гребнем волны (Рис. 37).
Если металлочерепица подошла к стене “неудачной” фазой волны и штатная пристенная планка не накрывает гребень, примените дополнительно нижний страховочный фартук или смонтируйте специально изготовленную более широкую пристенную планку (Рис. 38).
Над пристенной планкой смонтируйте планку примыкания “в штробу” или “внакладку” и загерметизируйте зазор между планкой примыкания и стеной. Как вариант, пристенную планку можно сразу изготовить с полкой “в штробу”.
Устройство верхнего примыкания к стене
Убедитесь в том, что при монтаже верхнего примыкания должны быть выполнены запланированные мероприятия по реализации подкровельной вентиляции.
3В случае, если длина черепицы после последней штамповки больше 15 см, то выше последней доски шаговой обрешетки надо будет добавить дополнительную доску, причем толщина ее должна быть на 10-15 мм больше толщины досок шаговой обрешетки. Доска и листы металлочерепицы не должны доходить до стены на 50-80 мм для обеспечения функционирования подкровельной вентиляции. Для предотвращения задувания снега смонтируйте между металлочерепицей и пристенной планкой универсальный воздухопроницаемый уплотнитель или профильный уплотнитель с освобождёнными вентиляционными отверстиями. Прикрепите саморезами планку к гребням металлочерепицы. Пристенные планки стыкуйте между собой внакладку с нахлестом не менее 10 см или с применением опыта жестяных работ. Как и в случае бокового примыкания, загерметизируйте зазор между стеной и планкой (Рис. 39).
Обход выступов на стене
Для обхода примыканиями выступов на стене вам потребуются навыки, полученные при обходе труб.
На рисунках 40, 41 показаны два способа. На рисунке 40 “фартук” вокруг выступа сделан так же, как для трубы, расположенной далеко от конька. На рисунке 41 менее трудоёмкий способ — верхняя деталь “фартука” доведена до верха ската.
![]() | ![]() |
Какие правила необходимо соблюдать при устройстве примыканий в строительстве

Доборный элемент Планка примыкания
После завершения работ над металлочерепицей или рулонной кровлей необходимо установить планку примыкания с защитным покрытием из цинка или полиэстера. Этот процесс также называют установкой прижимных фартуков.
Планка примыкания выполняет 2 задачи:
• Она не позволяет влаге и каплям дождя попадать в пространство под кровлей, в результате соблюдается полная герметичность покрытия.
• Она надежно закрепляет края кровли, не позволяя порывам ветра поднять края кровельного покрытия
Мастер листогиб изготавливает планки примыкания любой сложности и конфигурации. Срок изготовления изделия от 10 минут.
Для расчета цены изготовления .планки примыкания, свяжитесь с нашим менеджером, или воспользуйтесь прайс листом
Виды и этапы установки планки примыкания
Метод штробления
При использовании метода штробления, один край планки примыкания заводится в стену на глубину -1,5-2см (Совет: при наличии штукатурки необходимо увеличить размер края изделия на толщину штукатурки. Минимальное значение: 1,5+толщина штукатурки = длинна заводимого края )Обратите внимание, что край изделия должен входить в стену под углом примерно 110°. Прижимной фартук прикрепляется к стене из кирпича либо бетона с использованием дюбелей, с промежутком в 0,3-0,6 метра. При установке планки примыкания с оцинковкой этот элемент шириной приблизительно 100 мм обязан обладать ребрами жесткости с обоих краев. Для штробления при монтаже планки примыкания необходимо воспользоваться болгаркой, а в процессе выдерживать правильный угол наклона, тогда дождевые капли будут капать на пояс и далее течь на кровлю вместо ухода в стену дома.
Метод битумной изоляции стыка планки примыкания
Прижимные фартуки при соединении со стальными поверхностями, либо в тех случаях когда не может быть осуществлено штробление дополнительно на стыках гидроизолируются при помощи битумной мастики. При монтаже планки примыкания ребро планки плотно прислоняют к поверхности стены, прикручивают кровельными саморезами или используют дюбель гвозди, далее все места соединений промазывают битумным герметиком стараясь покрыть место соединения ровным сплошным слоем (Совет: старайтесь использовать для этой цели пистолет "Скелет" для нанесения ровного неприрывного гидроизолирующего слоя) .
В особенности это важно при монтаже планки примыкания на горизонтальную кровлю, а также закреплении прижимных фартуков на шахтах системы вентиляции, поскольку как раз в данных зонах чаще всего и появляются протечки.
Планки примыкания
Простая планка примыкания
Простая планка примыкания разделяется на два вида, для металлочерепицы и для битумной кровли.
Для метода монтажа штроблением и для метода битумной изоляции стыка простая планка изготавливается в разных конфигурациях.
(Совет: при использовании метода штробления, обязательно заполняйте штробу битумной мастикой, для предотвращения преждевременного разрушения конструкции, от попадания влаги в штробу. )
Двойная планка примыкания
Двойная планка примыкания состоит из двух частей:
1) Верхняя планка (козырек)
2) нижняя планка (отлив)
Двойная планка примыкания, как и простая изготавливается в двух видах, для металлочерепицы и для битумной кровли.
Но в отличии от простой планки, при монтаже всегда используется смешанный тип. Как штробление так и битумная изоляция.
После нескольких испытаний, наши специалисты предложили способ самого надежного монтажа двойной планки примыкания.
Инструкция по монтажу двойной планки примыкания выглядит так:
1) Произвести штробление при помощи болгарки, под углом в 110 на глубину 1.5-2см.
2) Заполнить штробу битумной мастикой
3) Плотно завести нижнюю планку (отлив) в штробу и закрепить к стене дюбель гвоздями.
4) Закрепить дюбель гвоздями верхнюю планку (козырек) над штробой и промазать стык со стеной битумом.
Таким образом мы получаем двойную изоляцию стыка кровли со стеной, закрываем не всегда ровную штробу и что самое главное защищаем штробу от попадания влаги, что особенно критично в зимнее время года, тем самым существенно проливаем срок службы всей конструкции.
Какие дополнительные элементы могут быть использованы при устройстве примыканий в строительстве


Электрическая цепь, являясь совокупностью устройств, по которым течет электрический ток, может иметь несколько видов соединений. Рассматривая на примере электрической проводки в доме, можно отметить, что способы соединения электрической цепи являются базой для типизации видов разводки. И в донном случае определение электрической цепи можно перефразировать как соединенные между собой источник тока, линии передачи и приемник.
Для наглядности рассмотрим самую простую электрическую цепь. Она состоит из источника тока, приемника (лампочка или электродвигатель) и системы передачи (провода). Чтобы данная комбинация стала полноценной цепью, ее элементы должны быть соединены между собой проводниками таким образом, чтобы ток протекал по замкнутой цепи.
Условные обозначения элементов электрической цепи
Все элементы электрических цепей можно разделить на активные и пассивные. К активным относятся источники тока, аккумуляторы, электродвигатели. Пассивные элементы – соединительные провода и электро приемники (лампочка или иной потребитель). Их общепринятые условные обозначения предназначены для изображения элементов цепи на схемах. Рассмотрим основные из них, так как данная информация пригодится для дальнейшего понимания принципов соединения электрической цепи на примере разводки внутри домовой проводки.
Условные обозначения элементов:

Обозначения элементов электрической цепи
Способы соединения электрической цепи
Разобравшись с терминологией и графическим обозначением элементов, можно перейти к непосредственному рассмотрению способов соединения, представленных в следующей таблице:
![]() | При параллельном соединении ни один элемент (приемник) не соединен между собой, но при этом они объединены двумя общими узлами. В этом случае даже при возникновении неисправности одного из потребителей, остальные продолжают работать. Наглядным примером такого соединения может быть подключение двух зон освещения через двухклавишный выключатель, где один проводник (рабочий ноль N) общий, а фаза (L) посредством выключателя разделяется на два проводника L1 и L2. |
![]() | При последовательном соединении все элементы цепи располагаются друг за другом и не имеют узлов. Примером служит елочная гирлянда, где большое количество лампочек соединяется одним проводом (если сгорит одна лампочка, цепь разорвется и погаснут все остальные). Другой пример — шлейфовое подключение розеток. |
Типы разводки электропроводки
Информация о соединениях электрической цепи тесно переплетается с темой разводки проводки и дополняет методику электромонтажных работ. Существует несколько типов разводки. Однако, прежде чем перейти к ним, стоит рассмотреть, как формируется разводка в частном доме:
- Питающий кабель входит в распределительный щит здания.
- В щите располагаются группы автоматических устройств защиты.
- Посредством автоматики и распределительных шин кабель далее разводится на зоны (группы потребителей).
- Зоны делятся на две группы: одна предназначена для розеток, другая — для освещения.
- Питающие кабели отдельной зоны заходят в помещение, где для них используются свои варианты расключения. Так, силовая кабельная линия, идущая к розетке, может подключается к другим розеткам данного помещения методом «шлейфа», а осветительная линия может расключаться через распределительную коробку.
Типы расключения электрической проводки:
![]() | Тип расключения «звезда» (другие названия бескоробочное, или европейское) схематично выглядит следующим образом: одна розетка — одна линия кабеля до щитка. То есть, каждая розетка и точка освещения имеют отдельную кабельную линию, которая заходит прямо в щиток и подключается к отдельному автоматическому выключателю. Преимущество данной методики — безопасность и возможность контролировать каждую электрическую точку. Также, при такой разводке не требуется устанавливать распределительные коробки. Недостатком бескоробочного подключения является увеличенный расход провода и, соответственно, увеличение трудовых затрат на монтаж системы. |
![]() | «Шлейф» по сравнению со «звездой» отличается экономичностью. Изобразить шлейфовое расключение можно следующим образом: электрощит или распределительная коробка — розетка — розетка — розетка. Другими словами, несколько электрических точек последовательно подключаются, и от них общий питающий проводник идет либо к электрощиту, либо к распаечной коробке. Как видно, данный тип расключения проводки — не что иное, как последовательное соединение в разрезе электрической цепи. |
![]() | Самый распространенный тип разводки — с использованием распределительных коробок. В этом случае от электрического щита питающий кабель конкретной группы разветвляется между потребителями через распределительные коробки, которые обычно располагаются над выключателем около входа в комнату. |
![]() | Смешанное расключение предполагает одновременное применение в одной системе типов «звезда», «шлейф» с использованием распределительных (распаечных) коробок. |
Что такое примыкание в электротехнике
В статье рассматриваются устройство, назначение, приемы и способы подсоединения алюминиевых и медных жил к выводам электрооборудования.
Строительными нормами и правилами и «Инструкцией по оконцеванию, соединению и ответвлению алюминиевых и медных жил изолированных проводов и кабелей и соединению их с контактными выводами электрических устройств» предусматривается подсоединение однопроволочных алюминиевых жил (сечением 2,5 - 10 мм2), изогнутых в кольцо, проводов напряжением до 2 кВ и кабелей до 35 кВ и однопроволочных медных жил (сечением 0,75 - 10 мм2), изогнутых в кольцо, проводов напряжением до 2 кВ и кабелей до 1 кВ. Применяют способ подсоединения однопроволочных алюминиевых и медных жил (сечением 25 - 120 мм2), предварительно закрученных и обжатых специальным приспособлением и пресс-клещами.
Присоединение алюминиевых и медных жил к контактным выводам различных электрических аппаратов и электротехнических устройств чаще всего выполняется с помощью винтовых зажимов. Жила изгибается в кольцо и присоединяется к зажиму. При этом используются шайбы-звездочки разных размеров и другие предохранительные устройства в зависимости от сечения жил.
Детали винтовых зажимов должны иметь гальваническое антикоррозийное покрытие. Жилы необходимо тщательно зачистить и смазать кварцевазелиновой пастой, а соединение надежно зажать.
Для того, что бы правильно присоединить провода и кабели к неподвижным контактам электрооборудования необходимо иметь следующие инструмент и приспособления: отвертка размером 135 х 0,3 мм, боковые кусачки, монтерский нож, универсальные электромонтажные плоскогубцы и круглогубцы, инструмент для снятия изоляции.
Материалы - кварцевазелиновая паста, шайбы-звездочки, фасонные шайбы или другие устройства, пружинящие разрезные шайбы, винты М4 - М8, гайки, наждачная бумага или стеклянная шкурка, установочные провода и кабели.
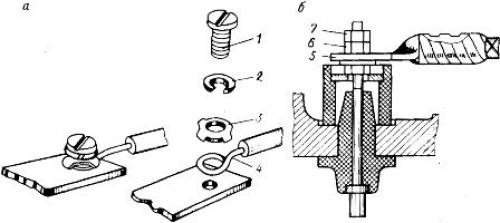
Стандартный способ присоединения алюминиевых жил проводов и кабелей сечением 2,5 - 10 мм2 к винтовым контактным выводам электрооборудования показан на рисунке.
При подсоединении однопроволочных жил к винтовым зажимам соблюдают следующие правила. Винтовые зажимы должны иметь ограничивающую шайбу-звездочку или другое устройство, препятствующее «выдавливанию» жилы, стандартную разрезную пружинящую шайбу и противокоррозийное гальваническое покрытие.
Для зачистки жил используют кварцевазелиновую пасту (50% по массе кварцевый песок или молотый кварц и 50% технический вазелин без кислот и щелочей) или технический нейтральный вазелин и стеклянную шкурку либо наждачную бумагу.

Выполнение присоединения жилы: 1 - отвертка, 2 - винт, 3 - разрезная пружинящая шайба, 4 - жила, изогнутая в кольцо, 5 - вывод электрооборудования, 6 - контактный вывод

Подсоединение провода к наборному винтовому зажиму
Сначала нужно определить сечение подсоединяемой жилы. Выбрать винт, гайку, шайбу-звездочку, пружинящую разрезную шайбу в зависимости от сечения подсоединяемой жилы. Если жилу подсоединяют к выводу счетчика или другого аппарата (электрооборудования), проверяют соответствие размеров зажима и сечения выбранной жилы.

Подсоединение провода к выводу катушки
В начале необходимо снять специальными клещами или монтерским ножом изоляцию с конца подсоединяемой жилы на расстоянии, достаточном для изгибания кольца под винт плюс 2-3 мм. Затем нужно зачистить оголенный конец жилы стеклянной шкуркой под слоем кварцевазелиновой пасты. После этого можно присоединить провод к выводу катушки электрического аппарата, как показано в примере на рисунке.
Какие материалы можно использовать для устройства примыканий в электротехнике
Один из наиболее спорных способов соединения проводов – при помощи пружинных зажимов. Они есть нескольких типов, но самые распространенные два – клеммники wago (ваго) и колпачки СИЗ. Внешне и по способу монтажа они сильно отличаются, но в основе обеих конструкций лежит пружина, которая создает прочный контакт с проводом.
По поводу этой пружины и идут споры. Противники использования wago говорят, что пружина со временем ослабнет, контакт станет хуже, соединение начнет все больше греться, что, опять-таки, приводит к еще более быстрому снижению степени упругости пружины. Через какое-то время может температура подняться настолько, что корпус (пластиковый) расплавится, ну а что может произойти дальше – известно.

Пружинные зажимы для электропроводки — популярные соединение проводов
В защиту использования пружинных зажимов для соединения проводов можно сказать, что если они использованы в соответствии с рекомендациями производителей, проблемы встречаются очень и очень редко. Хотя есть немало подделок и wago, и СИЗ-ов, а также достаточное количество фоток их в расплавленном виде. Но, в то же время многие их используют, и при нормальных режимах работы работают они годами без нареканий.
Зажимы для проводов wago
Появились на нашем рынке они несколько лет назад и наделали много шума: с их помощью соединение происходит очень быстро и легко, имеет при этом высокую надежность. Есть у производителя конкретные рекомендации по использованию этой продукции:
- wago применять только для одножильных или многожильных проводников сечением от 0,5 мм2до 4 мм2;
- для фиксации и соединения многожильных и проводов малых диаметров использовать зажим CAGE CLAMP — от 0,08 мм2 до 35 мм2;

Внутри этих устройств есть металлическая пластина, которая обеспечивает должный контакт. Форма пластины и ее параметры разрабатывались и тестировались специально. Тесты проводились на вибрационном стенде в течение многих часов, затем нагревались-охлаждались. После чего проверялись электрические параметры соединения. Все тесты были пройдены на отлично и фирменная продукция показывает себя всегда отлично.
Вообще, ассортимент продукции фирмы Wago очень широкий, но для монтажа электропроводки или подключения домашней бытовой техники, осветительных приборов, используют два варианта зажимов для проводов: серии 222 (разъемные) с возможностью перезаделать или изменить соединение и серий 773 и 273 – которых называют неразъемными.
Какие правила необходимо соблюдать при устройстве примыканий в электротехнике
Почему примыкание должно быть согласовано и какие санкции может наложить балансодержатель дорогиИсточник изображения: Мария Кулькова
Примыкание — узел автомобильных дорог, где к одной дороге примыкает в одном или разных уровнях другая дорога, не имеющая прямого продолжения и прерывающаяся в этом узле. (ГОСТ 33100-2014).
То есть примыкание — это съезд, подъезд на участок.
Сразу оговорюсь, что примыкание — это не только съезд с оживленного шоссе, но и любое присоединение к улично-дорожной сети (УДС).
Согласно ФЗ № 257 ст. 20 п. 1 : Примыкание к автомобильной дороге допускается при наличии разрешения на строительство, выдаваемого в соответствии с Градостроительным кодексом Российской Федерации и настоящим Федеральным законом, и согласия в письменной форме владельцев автомобильных дорог (оно же согласие, содержащее технические условия или просто ТУ) .
Несмотря на то, что наличие РС является обязательным пунктом ТУ, в ряде случае для строительства, реконструкции линейного объекта оно не требуется, исходя из постановления Правительства Российской Федерации от 12 ноября 2020 г. N 1816, а именно
- автомобильные дороги IV и V категории;
- объекты капитального строительства, являющихся элементами обустройства автомобильных дорог и (или) защитными дорожными сооружениями и размещаемых в полосе отвода автомобильных дорог;
- местные улицы, местные дороги, проезды улично-дорожной сети сельских поселений;
- пешеходные улицы и площади городов;
- парковые дороги, проезды, велосипедные дорожки.
ТУ выдаются на определенный срок, в который должна быть разработана и согласована проектная документация и выполнены строительные работы в соответствии с проектом.
В случае неисполнения ТУ (или их отсутствия) баласодержатель может ликвидировать примыкание — перекопать его, поставить бетонный блок или, например, забить металлическим барьерным ограждение (МБО).
Согласно ФЗ № 257 ст. 20 п.7 : Расходы на строительство, реконструкцию, капитальный ремонт, ремонт пересечений и примыканий, в том числе расходы на выполнение дополнительных работ, связанных с обеспечением безопасности дорожного движения, водоотведения и исполнением других установленных техническими регламентами требований, несут лица, в интересах которых осуществляются строительство, реконструкция, капитальный ремонт, ремонт пересечений или примыканий.
Также стоит отметить, что в случае изменения дорожно-транспортной ситуации балансодержатель дороги может отозвать выданные ТУ.
Компания Драфт более 10 лет занимается согласованием примыканий к объектам жилой и коммерческой недвижимости на дорогах всех уровней.
Примыкание - это узел автомобильных дорог, где к одной дороге примыкает другая дорога, не имеющая прямого продолжения и прерывающаяся в этом узле.
Согласно Федеральному закону № 257, статья 20, пункт 1, для устройства примыкания необходимо разрешение на строительство, выдаваемое в соответствии с Градостроительным кодексом Российской Федерации и настоящим Федеральным законом, и согласие в письменной форме владельцев автомобильных дорог.
Однако, в некоторых случаях для строительства, реконструкции линейного объекта разрешение на строительство не требуется, согласно постановлению Правительства Российской Федерации от 12 ноября 2020 года, номер 1816.
В случае неисполнения технических условий или их отсутствия, баласодержатель может ликвидировать примыкание, перекопав его, установив бетонный блок или забив металлическим барьерным ограждением.
Согласно Федеральному закону № 257, статья 20, пункт 7, расходы на строительство, реконструкцию, капитальный ремонт, ремонт пересечений и примыканий, включая расходы на выполнение дополнительных работ, связанных с обеспечением безопасности дорожного движения, водоотведения и исполнением других установленных техническими регламентами требований, несут лица, в интересах которых осуществляются строительство, реконструкция, капитальный ремонт, ремонт пересечений или примыканий.
Какие дополнительные элементы могут быть использованы при устройстве примыканий в электротехнике

Где применяют распыляемые герметики/ Фото: youtube.com

Использование распыляемого герметика/ Фото: drive2.ru
Что такое примыкание в авторемонте
4. Проектирование пересечений и примыканий автомобильных дорог в одном уровне
4.1. Общие требования к проектированию пересечений и примыканий
Для обеспечения своевременной видимости пересечения и примыкания автомобильных дорог в плане должны располагаться на прямых участках или закруглениях с радиусом не менее 2000 м на дорогах I и II категорий и 800 м на дорогах III и IV категорий. При реконструкции пересечения и примыкания с существующими дорогами допускается располагать их на закруглениях с радиусами 1000 м на дорогах II категории, 400 м на дорогах IV категории.
Для обеспечения своевременной видимости проектная линия пересекающихся или примыкающих дорог на участке пересечения должна быть, как правило, прямой или вогнутой кривой.
Расположение пересечений и примыканий на участках выпуклых вертикальных кривых и с внутренней стороны закруглений в плане допускается только в исключительных случаях при обеспечении требуемой видимости.
Согласно нормам, в зоне пересечений должна быть обеспечена видимость пересекающихся направлений в треугольнике, определяемом расстоянием видимости для остановки автомобиля SoI (табл. 4.1) как по главной, так и по второстепенной дорогам (рис. 4.1).
Расстояние видимости на примыканиях следует принимать по таблице 4.1 в соответствии со скоростью, обеспечиваемой радиусы закругления при выезде на главную дорогу, но не менее 30 м, а на главной дороге в соответствии с расчетной скоростью (рис. 4.2).
Рис. 4.1. Схема видимости на пересечении: LбА, LбВ– на автомобильных дорогах А и В;
1 – граница зоны видимости.
Рис. 4.2. Схема видимости на примыканиях
Схема видимости, приведенная на рисунке 4.1, предполагает недисциплинированность водителей, движущихся по второстепенной дороге (неподчинение требований знака 2.4 «Уступите дорогу»).
В нормах некоторых соседних с Республикой Беларусь государств , принята другая схема видимости на пересечениях и примыканиях. По этой схеме водитель, движущийся по второстепенной дороге, оценив ситуации на главной дороге, находясь на расстоянии не менее 20 м от кромки проезжей части главной дороги, должен принять решение, может ли осуществить планируемый маневр, или остановиться перед пересечением (рис. 4.3). Требуемое расстояние видимости L, определяется по таблице 4.2.
Рис. 4.3. Схема видимости при подъезде по второстепенной дороге В к главной А
В случае, если водитель остановился на второстепенной дороге перед пересечением с главной, то при трогании он должен, находясь на минимальном расстоянии 5 м от кромки проезжей части главной дороги, видеть главную дорогу на расстоянии L2 (рис. 4.4).
Рис. 4.4. Схема видимости при трогании на второстепенной дороге 1
Таблица 4.2.
Для обеспечения просматриваемости пересечений или примыканий рекомендуется их выполнять под прямым углом или в исключительных случаях близким к нему в пределах 50о≤ α ≤ 100о. При пересечении дорог под углом 50о≤ α ≤ 120орекомендуется корректировать план трассы второстепенной дороги в зоне пересечения или примыкания таким образом, чтобы на расстоянии не менее 20 м ось второстепенной дороги была прямой, перпендикулярной оси главной дороги (рис. 4.5).
Угол пересечения отсчитывается против часовой стрелки от направления главной автомобильной дороги к направлению второстепенной дороги.
Рис. 4.5. Схема изменения оси второстепенной дороги 1: А, В – направление главной автомобильной дороги
При криволинейном плане трассы второстепенной дороги на подходах к пересечению (примыканию) следует обеспечить видимость пересечения (примыкания) и установленного перед ним дорожного знака (рис. 4.6).
Рис. 4.6. Видимость на криволинейном участке второстепенной дороги
Для обеспечения безопасности движения продольные уклоны проектной линии на подходах к пересечениям (примыканиям) на протяжении расстояний видимости для остановки автомобиля (табл. 4.1) не должны превышать 40‰. В случае съездов на дороги не общего пользования, на полевые, лесные дороги, подъезды к отдельным усадьбам продольный уклон этих съездов не должен превышать 40‰ в пределах криволинейной части их.
В пределах пересечений (примыканий) автомобильных дорог по главной дороге продольный и поперечный уклоны проезжей части не должны превышать 40‰. На второстепенной дороге проектная линия согласовывается с поперечным профилем главной дороги. При переломах проектной линии вписываются вертикальные вогнутые кривые радиусом не менее 200 м (рис. 4.7) в случае пересечений (примыканий) дорог II, III категорий. Для случая, когда второстепенная дорога относится к IV, V и VI категории, перелом проектной линии ≤ 40‰ может не сопрягаться вертикальной кривой.
Рис. 4.7. Проектная линия второстепенной дороги: а) III категории; б) IV - VI категорий;
в, с – ширина проезжей части и укрепленных полос главной дороги
4.2. Проектирование простого пересечения (примыкания)
Проектирование простого пересечения включает назначение плана трассы, проектной линии; расчет сопряжения кромок проезжей части пересекающихся (примыкающих) дорог, определение объемов работ по строительству пересечений (примыканий).Проектная линия простого пересечения и план трассы простого пересечения назначаются в соответствии с рекомендациями, изложенными в п.4.1.
Для сопряжения кромок проезжей части пересекающихся дорог могут применяться следующие разновидности кривых: круговые, коробовые, переходные в сочетании с круговыми. Наименьший радиус кривых при сопряжении кромок проезжей части следует принимать по категории дороги, с которой происходит поворот направо: для дорог I-в категории этот радиус не менее 25 м, для дорог II - III категории – не менее 20 м, для дорог IV, V категории – не менее 15 м, для дорог VI категории – не менее 8 м. Радиусы сопряжений кромок проезжей части съездов на дороги необщего пользования, полевые, лесные дороги следует принимать 12 м, а съездов к отдельным усадьбам – 8 м для всех категорий дорог.
4.2.1. Разбивка сопряжения кромок проезжей части по круговым кривым
При применении круговых кривых разбивка сопряжения кромок проезжей части на пересечении (примыкании) дорог аналогична разбивке закругления плана трассы автомобильной дороги (рис. 4.8).











