Схема разводки труб отопления в частном двухэтажном доме. Принципы построения
- Схема разводки труб отопления в частном двухэтажном доме. Принципы построения
- Схема отопления двухэтажного дома с настенным газовым котлом. Схема отопления двухэтажного дома с двухконтурным котлом
- Типовой проект отопления двухэтажного дома. Однотрубная и двухтрубная компоновки
- Видео двухтрубная система двухэтажного дома из металлопластика
Схема разводки труб отопления в частном двухэтажном доме. Принципы построения

Двухтрубная система отопления
Схемы отопления в двухэтажных домах строятся на базе общих элементов конструкции.
В составе обязательно присутствуют:
- котёл-теплогенератор: электрический, газовый, на твёрдом или жидком топливе;
- теплообменники-радиаторы;
- система трубопроводов от котла к батареям;
- схема автоматики и защиты;
- расширительный бачок;
- теплоноситель;
- регулировочная аппаратура.
В современных газовых и электрических нагревателях автоматика и расширительный бачок встроены в конструкцию. Для твердотельных нагревателей делают защитную обвязку.
Элементы конструкции
Элементы отопительной системы
В продаже встречаются котлы, способные работать на двух видах топлива — в контуры газового или дровяного обогревателя в этом случае встроены электрические трубчатые нагреватели (ТЭНы).
Автоматика нагревателей позволяет перезапустить обогрев после отключения без участия пользователя или в ручном режиме. Схемы защиты своевременно отключают подачу энергоносителя при аварийных режимах работы (перегрев теплоносителя, превышение давления в системе). Обязательны такие устройства в газовых котлах. При отключении закрывается клапан и при возобновлении снабжения газ не поступит в помещения.
Трубопроводы выполняют из стальных, медных, металлопластиковых или полипропиленовых изделий. Последний вариант предпочтителен по затратам денег, экономит время на монтаж. Для сварки используют недорогие паяльники, стоимостью от 800 рублей. Фитинги, переходники с пластика на металлическую резьбу доступны по цене.
Расширительный бак — обязательный элемент системы отопления. При нагреве вода расширяется и излишки поступают в резервную ёмкость.
Если внутренняя часть устройства сообщается с воздухом, схему называют открытой. Если резиновая мембрана расширительного бачка не имеет соединения с воздухом, контуры будут закрытыми.
К прочности теплообменников в частном доме высоких требований не предъявляют. Максимальное давление в трубах не превышает 2 – 3 Атм. Такое давление выдерживают даже чисто алюминиевые радиаторы, которые могут разрушиться в системах централизованного отопления, где давление достигает 14 – 15 Атм.
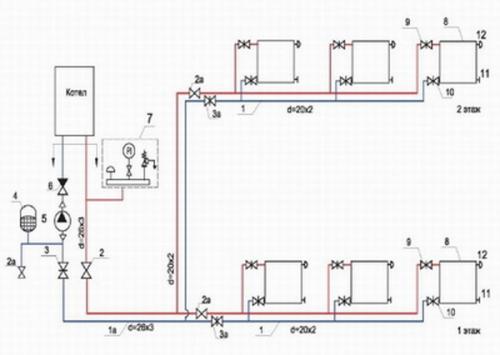
Схема отопления двухэтажного дома с настенным газовым котлом. Схема отопления двухэтажного дома с двухконтурным котлом
Обычная схема отопления двухэтажного дома с двухконтурным котлом ничем не отличается от такой же схемы с одноконтурным теплогенератором, если дело касается только обогрева помещений. Что же касается ГВС, то схема отопления двухэтажного дома с двухконтурным котлом имеет свои особенности.
В первую очередь, это добавление к обвязке теплогенератора в виде подводящего и отводящего трубопровода ГВС. Подводится холодная вода, а отводится, соответственно, горячая. При этом схема отопления двухэтажного дома с двухконтурным котлом будет иметь также отличия от ГВС в одноэтажном доме. В чем отличия?
Во-первых, вся система горячего водоснабжения, равно как и, в одноэтажном доме проходит по 1 уровню. В двухэтажном доме вы должны формировать 2 ветки отопления и 2 ветки ГВС – на первом и на втором этаже.
Во-вторых, при использовании двухконтурного котла, особенно газового, неразумно использовать для нагрева воды электрические бойлеры. Это значит, что после узла нагрева вы должны делать точки водоразбора по всему дому, на 1 и 2 этаже, на минимальном расстоянии от котла. И если раньше вы могли разместить 2 бойлера – на первом и втором этаже, то теперь у вас один узел нагрева – в котельной.
В-третьих, раз вы используетедля производства ГВС, то вам стоит подумать над тем, чтобы размещать санузлы, кухню на первом этаже поблизости от котельной. А санузел второго этажа – обустроить прямо над котельной, блокируя его, например, с прачечной.
Некоторые хозяева прачечную размещают в подвале. Однако удобнее всего, когда прачечная располагается рядом со спальнями – поверьте слову практика. Но про прачечные и ГВС – подробно в другом материале. 
Типовой проект отопления двухэтажного дома. Однотрубная и двухтрубная компоновки
Однотрубная система подачи теплоносителя (ленинградка) – это кольцо, проложенное по периметру этажа, к которому подсоединены радиаторы отопления. Для двухтрубного отопления характерна подача теплоносителя по одной трубе, а его возврат по другой.
В системах отопления для двухэтажных домов наиболее целесообразно применять двухтрубные схемы с принудительной циркуляцией теплоносителя.
Однотрубная разводка
Радиаторы подключаются в разрыв или параллельно трубопроводу (по байпасной схеме). Второй вариант предпочтительнее. Он предоставляет возможность отключения радиатора без остановки всей системы и слива теплоносителя.

Нижняя схема подключения радиаторов, в которой труба подачи горячего теплоносителя выполняет функцию байпаса:
- Котёл
- Расширительный бачок открытого типа
- Радиаторы отопления
- Кран Маевского для стравливания воздуха
- Кран для слива и наполнения системы
Эффективная высота однотрубной системы до 30м, что полностью перекрывает потребности 2-этажного дома. Тем не менее для неё известен ряд технических и эксплуатационных сложностей:
- В 2-х этажном доме для качественного и равномерного прогрева помещений применяется несколько однотрубных контуров. Такая схема требует особо точного согласования гидродинамических характеристик всех трубопроводов. В противном случае теплоноситель пойдет только по одному из контуров, имеющему меньшее гидродинамическое сопротивление.
- Низкая скорость теплоносителя приводит к его переохлаждению, что негативно отражается на камере сгорания котла.
- Даже со специальной арматурой, установленной на каждой из батарей, температуру в отдельном помещении регулировать сложно. При изменении тепловых настроек одного радиатора, полностью нарушается гидродинамическое сопротивление, а значит и эффективность всей системы.
Двухтрубная
Различают два типа двухтрубной системы (рис. ниже):
- Тупиковая схема (подача и обратка идут во встречных направлениях). Существенный недостаток тупиковой схемы – неравномерность нагрева радиаторов. Ближе к котлу они будут заметно горячее. На практике эта проблема решается установкой на радиаторы игольчатых дросселей или термоголовок. Они позволяют регулировать подачу теплоносителя в ручном или полуавтоматическом режиме соответственно.
- Петля Тихельмана (подача и обратка идут в одном направлении). Контур формируется таким образом, что образуются параллельные петли. Они характеризуются одинаковыми длинами и близкими параметрами гидравлического сопротивления. В результате температура всех радиаторов имеет одинаковые значения без использования корректирующего оборудования.

Проект системы отопления частного двухэтажного дома по схеме Тихельмана предусматривает подключение радиаторов во всех помещениях к одной петле, а не на несколько колец на каждый этаж, как в однотрубной схеме.
Особенности схемы Тихельмана:
- Использование большего количества радиаторов, чем в однотрубной схеме;
- Установка в сооружениях со сложной планировкой;
- Нет необходимости в принудительной балансировке контуров, приобретении и монтаже дорогостоящих регулировочных устройств;
- Все помещения прогреваются одновременно и равномерно;
- Простота обслуживания;
- Отсутствие резких перепадов температуры способствует долговечности отопительных коммуникаций и оборудования.
Основной недостаток петель Тихельмана – некоторое увеличение себестоимости монтажа, вызванное удлинением трубопроводов.
Технические особенности построения отопительной системы
На практике, для двухэтажных домов «чистая» схема Тихельмана используется редко. Чаще применяется обустройство двухтрубного стояка, соединяющего этажи, от которого уже разводятся петли на каждый этаж. Такая схема требует врезки в линию подачи балансировочного крана на каждый контур.
Циркуляционный насос рекомендуется устанавливать через параллельную врезку на каждом этаже. Использование одного агрегата не рекомендуется, хоть и допустимо. Причина заключается в следующем. Теплоноситель в предложенной схеме не будет передвигаться самотеком, как при попутной двухтрубной или однотрубной схеме. И при выходе из строя единственного циркуляционного насоса система отопления перестанет функционировать.